Automatización industrial

Inicio » Especialidades » Automatización industrial

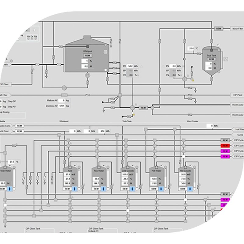
Procesos que generan valor

En SIEO Group®, ofrecemos automatización industrial como un servicio especializado enfocado en la optimización de procesos, el aumento de la productividad y la reducción de costos operativos. Implementamos tecnologías avanzadas que garantizan un control preciso, eficiencia operativa y consistencia en la producción, permitiendo a nuestros clientes mejorar su competitividad en el mercado.

¿En qué consiste?

image

Procesos que generan valor

En SIEO Group®, ofrecemos automatización industrial como un servicio especializado enfocado en la optimización de procesos, el aumento de la productividad y la reducción de costos operativos. Implementamos tecnologías avanzadas que garantizan un control preciso, eficiencia operativa y consistencia en la producción, permitiendo a nuestros clientes mejorar su competitividad en el mercado.

¿En qué consiste?

Competitivas

Con nuestro servicio de automatización industrial, ayudamos a nuestros clientes a dar el siguiente paso hacia la industria 4.0, mejorando su eficiencia y rentabilidad con soluciones tecnológicas de alto impacto.

Soluciones personalizadas

Tecnología de última generación

Experiencia multisectorial

Implementación integral

Competitivas

Con nuestro servicio de automatización industrial, ayudamos a nuestros clientes a dar el siguiente paso hacia la industria 4.0, mejorando su eficiencia y rentabilidad con soluciones tecnológicas de alto impacto.

Soluciones personalizadas

Tecnología de última generación

Experiencia multisectorial

Implementación integral

En automatización

Soluciones totales para todas las fases de automatización de procesos.

01
Control actualizado o nuevo

Diseño de sistemas de control

Nuestro enfoque también confirma los diagramas de sistemas de control existentes (incluidos Diagramas de tuberías e instrumentos (DTIs), los diagramas de lazo, etc.) para verificar que sean representaciones precisas de los procesos y sistemas reales. Esta información detallada se utiliza luego como base para diseñar un nuevo sistema.
02
ISA-88

Integración de sistemas de control

Aportamos al mercado sistemas novedosos y soluciones específicas La visualización integrada de procesos, los objetos de automatización preconfigurados, los sistemas de lotes conformes con ISA-88, los módulos para la gestión continua de recetas y materiales, así como las interfaces ERP estandarizadas son sólo algunos ejemplos de la singularidad de nuestras soluciones.
03
RÁPIDA INSTALACIÓN

Instalación y calibración segura y eficiente de instrumentos y equipos de control

Rápida y eficaz instalación sin interrupciones en la producción. En SIEO Group® brindamos además servicio de asistencia como parte de nuestra oferta.
04
SEGURIDAD CIBERNÉTICA

Diseño de infraestructura de red industrial

Nuestro diseño de redes consideramos aspectos técnicos y riesgos de seguridad cibernética. Protegemos tu infraestructura contra riesgos que van desde largos períodos de tiempo de inactividad e impacto negativo en el cliente hasta pérdidas financieras y robo de información patentada.
01
Control actualizado o nuevo

Diseño de sistemas de control

Nuestro enfoque también confirma los diagramas de sistemas de control existentes (incluidos Diagramas de tuberías e instrumentos (DTIs), los diagramas de lazo, etc.) para verificar que sean representaciones precisas de los procesos y sistemas reales. Esta información detallada se utiliza luego como base para diseñar un nuevo sistema.
02
ISA-88

Integración de sistemas de control

Aportamos al mercado sistemas novedosos y soluciones específicas La visualización integrada de procesos, los objetos de automatización preconfigurados, los sistemas de lotes conformes con ISA-88, los módulos para la gestión continua de recetas y materiales, así como las interfaces ERP estandarizadas son sólo algunos ejemplos de la singularidad de nuestras soluciones.
03
RÁPIDA INSTALACIÓN

Instalación y calibración segura y eficiente de instrumentos y equipos de control

Rápida y eficaz instalación sin interrupciones en la producción. En SIEO Group® brindamos además servicio de asistencia como parte de nuestra oferta.
04
SEGURIDAD CIBERNÉTICA

Diseño de infraestructura de red industrial

Nuestro diseño de redes consideramos aspectos técnicos y riesgos de seguridad cibernética. Protegemos tu infraestructura contra riesgos que van desde largos períodos de tiempo de inactividad e impacto negativo en el cliente hasta pérdidas financieras y robo de información patentada.


Diseño de sistemas con cumplimiento ATEX y asistencia técnica

Nuestros socios

¿Estás listo para optimizar tu producción? Contáctanos y descubre cómo podemos revolucionar tu proceso industrial.

¿Quieres saber más?

Platiquemos de tu proyecto